Doppelzylinder KABA 8, 1515 A, asymmetrisch

18.110.01-07

Doppelzylinder KABA 8, 1515 A, asymmetrisch

18.110.

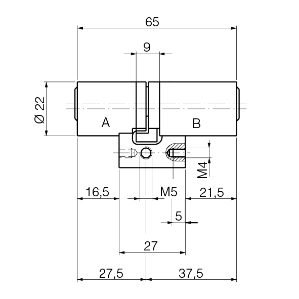
matt vernickelt, verschiedenschliessend, mit Befestigungsschraube 75 mm (für Dornmass 60 + 70 mm), asymmetrische Ausführung: Mitnehmer nicht in der Mitte (Skizze)

  • Kaba 8 mit 3 Schlüssel: Werden mehr als 3 Schlüssel gewünscht, bitte die entsprechende Anzahl Mehrschlüssel zu Zylinder mit 18.800.03 zusätzlich bestellen.
  • Befestigungsschraube in anderen Längen siehe 67.066.58-75
Marke
DormaKaba
Oberfläche
matt vernickelt
Produktart
Doppelzylinder
Länge A-Seite
27,5 mm
Verlängerung A-Seite
0 mm
System
Kaba 8
Schliessung
verschiedenschliessend
Zylinderprofil
RZ
Anzahl Schlüssel
3

Zylinderschlüssel KABA® 8

Neusilber matt vernickelt

Vers le produit

Vis de fixation M5, pour cylindres de sécurité

Acier galvanisé, tête fraisée, à empreinte cruciforme Pozidriv

Vers le produit