Gâche d'angle arrondie GLUTZ B-1001.231


15.180.51-53


prev
next

Gâche d'angle arrondie GLUTZ B-1001.231
15.180.
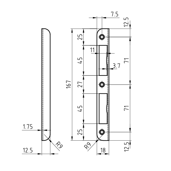
Acier galvanisé, inox mat ou laiton poli, avec découpe pour verrou et bec-de-cane, permutable universel DIN à droite et DIN à gauche, sans vis
- Verrouillage multipoints, voir 14.002. à 14.018.
- Pour la serrure à mortaiser, voir 15.005. à 15.108.
- Vis à tête fraisée Ø 4 mm.

- Sens de Serrure
- DIN universel
- utilisable
- universel
- Longueur
- 167 mm
- Largeur
- 18 mm
- Profondeur
- 12,5 mm
- Épaisseur
- 1,75 mm
- Largeur de tige
- 3,7 mm
- Marque
- Glutz
- Type de produit
- Gâche d'angle
- Sécurité incendie
- non testé
- Numéro d'usine
- B-1001.231

