Fiche pour objets BASYS PIVOTA® DX 120 3-D / 33 mm



10.504.32



prev
next

Fiche pour objets BASYS PIVOTA® DX 120 3-D / 33 mm
10.504.
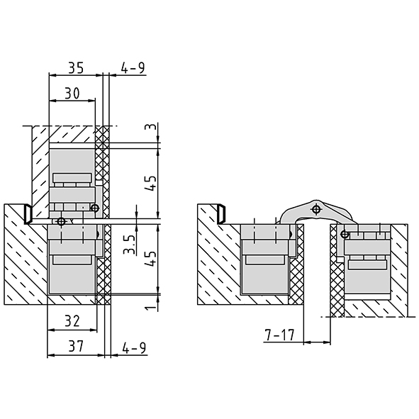
Châssis aluminium, platines acier, pour portes noyées, avec la porte fermée, la bande est invisible, réglage tridimensionnel, sans entretien, avec vis visibles, pour l'utilisation sur des portes dans des voies d'évacuation et de secours avec des exigences en matière de protection contre la fumée et l'incendie, sans vis, force portante avec 2 fiches env. 150 kg

- Marque
- BaSys
- Type de produit
- Fiche pour objets
- Hauteur des platines
- 235 mm
- Poids du vantail max.
- 150 kg
- Modèle
- Pivota
- Finition
- velours nickelé
- Numéro d'usine
- 039886




