Fiche pour objets BASYS OBJECTA® 2093









10.450.15-18









prev
next

Fiche pour objets BASYS OBJECTA® 2093
10.450.
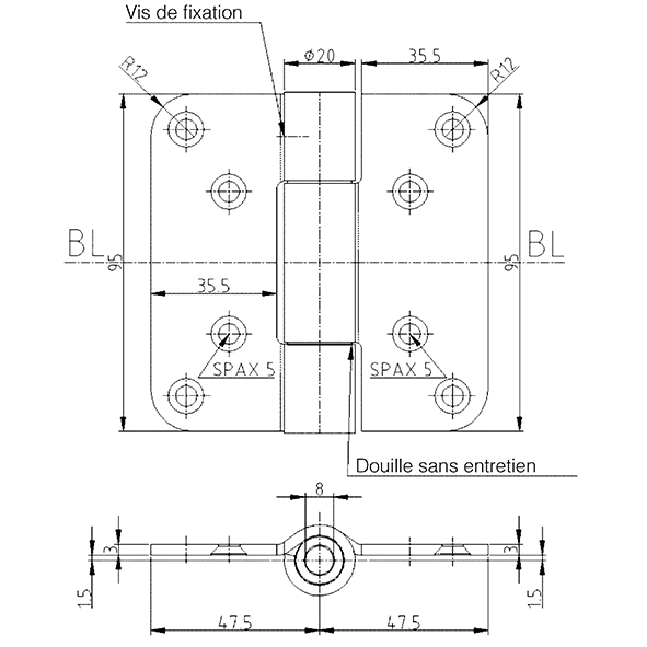
inox brossé, pour portes noyées sur huisseries et cadres applique, sans entretien, avec goupille de sécurité, construction démontable, épaisseur de platine 3 mm, jeu de fixation 3 mm, force portante, Hauteur de platine 95 mm, avec 2 fiches env. 80 kg, force portante, Hauteur de platine 120 mm, avec 2 fiches env. 100 kg, force portante, Hauteur de platine 160 mm, avec 2 fiches env. 120 kg
- Vis à tête fraisée Ø 5 mm.
- Autres surfaces disponibles sur demande.

- Norme de sécurité incendie
- vérifié
- Marque
- BaSys
- Type de produit
- Fiche pour objets
- Ø de rouleau
- 20 mm
- Modèle
- Objecta
- Matériau
- acier inoxydable
- Finition
- brossé




