Fiche pour objets BASYS OBJECTA® 2029









10.460.33-53









prev
next

Fiche pour objets BASYS OBJECTA® 2029
10.460.
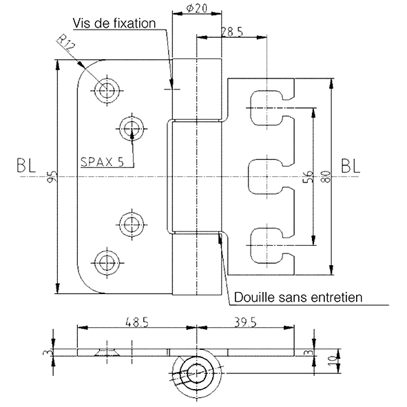
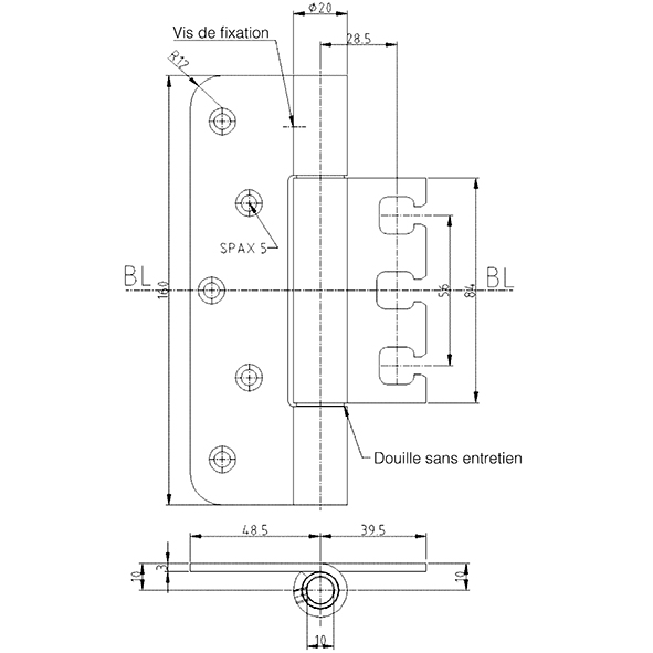
inox brossé, pour portes noyées, sans entretien, avec goupille de sécurité, construction démontable, épaisseur de platine 3 mm, jeu de fixation 14 mm, à partir d'une hauteur de 100 mm: pour l'utilisation sur des portes dans des voies d'évacuation et de secours avec des exigences en matière de protection contre la fumée et l'incendie, force portante, hauteur de platine 95 mm, avec 2 fiches env. 80 kg, force portante, hauteur de platine 120 mm, avec 2 fiches env. 100 kg, force portante, hauteur de platine 160 mm, avec 2 fiches env. 120 kg
- Support de bande 3-D, voir 10.480.
- Vis à tête fraisée Ø 5 mm.
- Autres surfaces disponibles sur demande.

- Norme de sécurité incendie
- vérifié
- Fonction panique
- convient pour l'issue de secours
- Marque
- BaSys
- Type de produit
- Fiche pour objets
- Ø de rouleau
- 20 mm
- Platines à partir du milieu du rouleau
- 48,5 / 39,5 mm
- Modèle
- Objecta
- Matériau
- acier inoxydable
- Finition
- brossé













