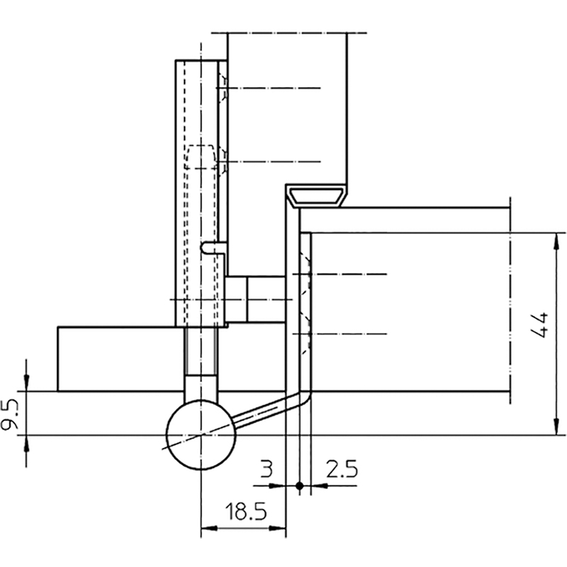
Pièce d'ouvrant SIMONSWERK V 0080



10.122.05-06 Figure = DIN gauche



prev
next

Pièce d'ouvrant SIMONSWERK V 0080
10.122.
nickelé, avec technique de palier lisse sans entretien, pour portes non feuillurées, Ø des roulettes 15 mm
- Pièce de dormant, voir 10.122.
- Vis à tête fraisée Ø 4,5 x 50 mm, voir 69.010.50

- Marque
- Simonswerk
- Type de produit
- Pièce d'ouvrant
- Matériau
- Acier
- Finition
- nickelé
- Ø de rouleau
- 15 mm
- Hauteur
- 70 mm
- Poids du vantail max.
- 40 kg
- Type de pliage
- non plié
- Modèle
- Variant






