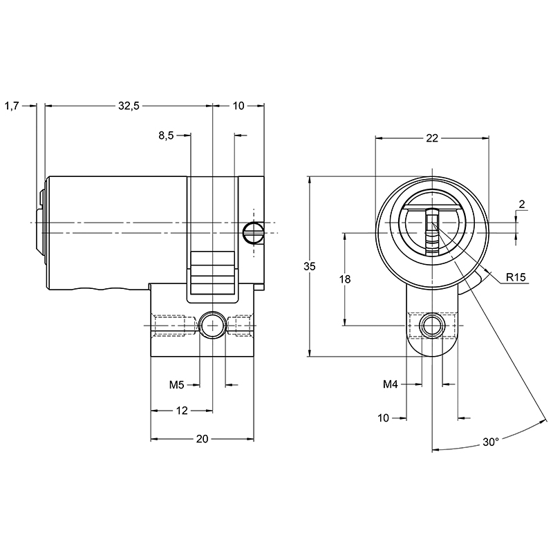
Demi-cylindre KESO 6000 FP2, 61.J12


18.618.01-11


prev
next

Demi-cylindre KESO 6000 FP2, 61.J12
18.618.
nickelé mat, à fermeture différente, avec 5 clés chacune, avec vis de fixation 75 mm (pour dimensions de broche 60 + 70 mm), protection par brevet garantissant que seules les clés originales KESO 6000FP2 peuvent ouvrir les cylindres, protection de l'investissement avec durée de validité du brevet jusqu'en 2036, système modulaire Construction de cylindre modulaire avec système d'insertion, le système convient à la combinaison avec des systèmes de fermeture et d'accès électroniques ou des systèmes de badges
- Keso 6000FP2, enregistré, avec 5 clés: Des clés supplémentaires sont disponibles avec un délai de livraison court.
- Des systèmes de fermeture ou des cylindres à fermeture identique sont également disponibles à court terme.
- vis de fixation dans d'autres longueurs voir 67.066.58-75

- Marque
- Keso
- Matériau
- Laiton
- Finition
- nickelé mat
- Type de produit
- Demi-cylindre
- Fermeture
- fermeture différente
- Système
- KESO 6000FP2
- Profil de cylindre
- RZ
- Nombre de clés
- 5 Pièce
