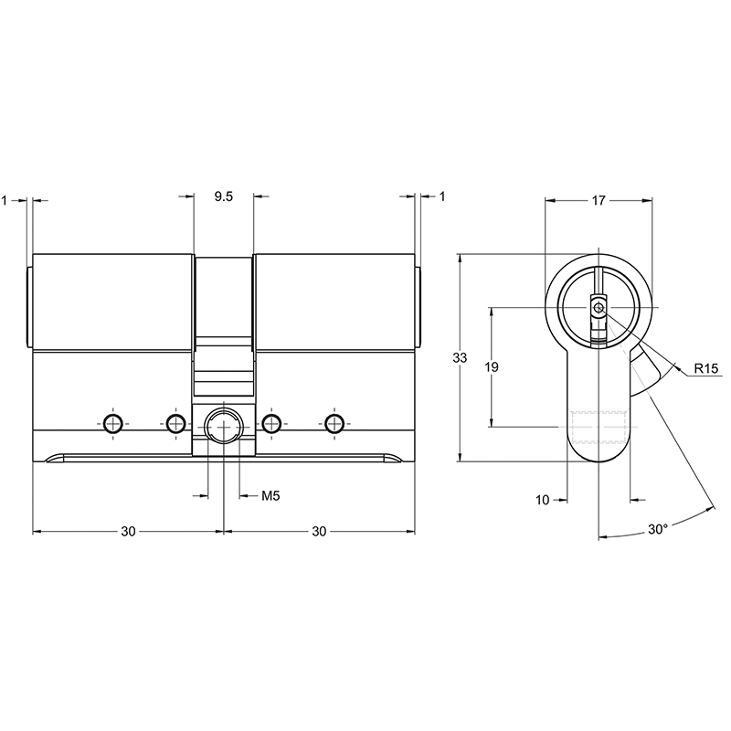
Cylindre double profil, KESO 8000 Omega2, 81.B15


18.650.01-65


prev
next

Cylindre double profil, KESO 8000 Omega2, 81.B15
18.650.
mat chromé, fermeture différente, avec 5 clés,
avec vis de fixation 75 mm (pour distance au canon 60 + 70 mm)
la protection anti-copie active Ω2 garantit que seules les clés originales KESO 8000 Ω2 peuvent ouvrir les cylindres
Protection des investissements avec une durée de validité du brevet jusqu'en 2034
système de construction modulaire construction cylindrique construction modulaire avec système d'insertion
- Keso 8000 Omega2, enregistré, avec 5 clés:
- Des clés supplémentaires peuvent être livrées dans un court délai.
- Des systèmes de fermeture ou des cylindres de même fermeture sont également disponibles rapidement. - Autres longueurs de vis de fixation, voir 67.066.58-75

- Marque
- Keso
- Matériau
- Laiton
- Finition
- chromé mat
- Type de produit
- Cylindre double
- Fermeture
- fermeture différente
- Système
- KESO 8000 Omega2
- Profil de cylindre
- PZ
- Nombre de clés
- 5 Pièce
