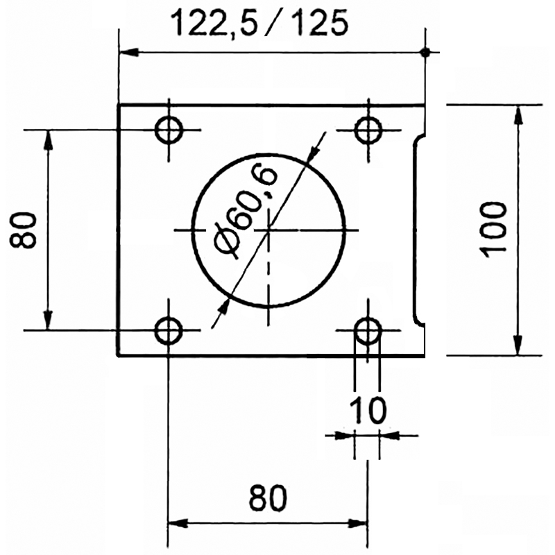
Bride de fixation THEILER LBFM46-1


18.818.65


prev
next

Bride de fixation THEILER LBFM46-1
18.818.
Acier inoxydable, adapté au tube à clé Theiler, pour façades suspendues ou isolations extérieures, la bride est montée sur la maçonnerie avec des vis d'ancrage, la hauteur peut être réglée en vissant le tube à clé, peut être monté ultérieurement lors de l'achèvement de la façade, avec écrou M46
- Dépôt de clés, voir 18.818.31

- Marque
- Theiler
- Article
- Pour l'isolation extérieure 120 - 220 mm
- Filetage
- M46
- Numéro d'usine
- LBFM46-1

