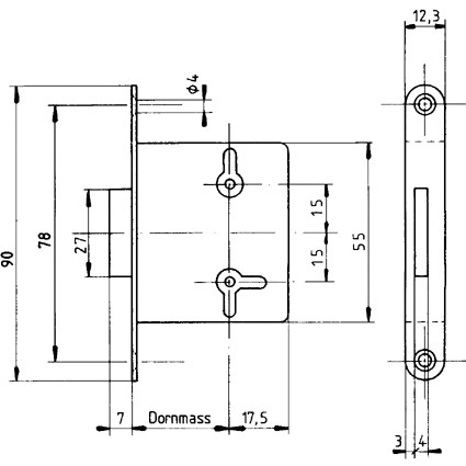
Einsteckschloss HEUSSER mit Euro-Schliessung


45.420.01+06, Abbildung = rechts


prev
next

Einsteckschloss HEUSSER mit Euro-Schliessung
45.420.
Stulp abgerundet, 12 x 90 mm, Messing blank,
Kastenhöhe 55 mm, Kastendicke 8 mm,
links, rechts und für Schubladen verwendbar,
mit 1 vernickelten Euro-Schlüssel
- Mehrschlüssel für Euro-Schliessung siehe 45.600.11
- Schrauben SK Ø 3 mm.

- Marke
- Heusser
- Produktart
- Einsteckschloss
- System
- Euro
- Anzahl Schlüssel
- 1 Stück
- Kastenhöhe
- 55 mm
- Kastendicke
- 8 mm
- Material
- Messing
- Oberfläche
- blank

