Ferrure de raccord excentrique GRASS® Fixograss

48.022.01-03

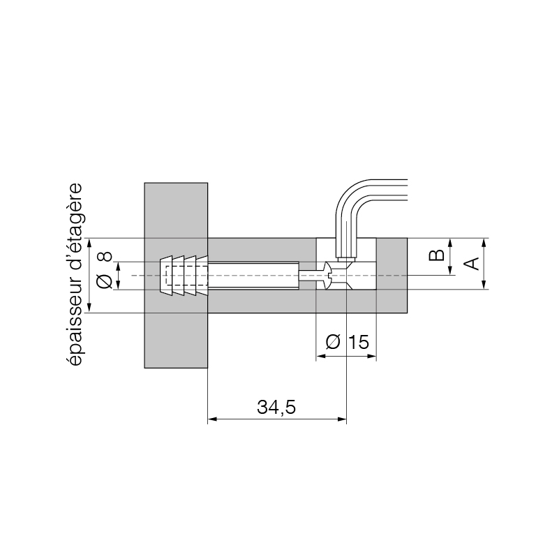
Ferrure de raccord excentrique GRASS® Fixograss

48.022.

Fonte de zinc nickelée, pour étagères jusqu'à 16, 20 ou 23 mm,

cruciforme Pozidriv gr. 3, boîtier à six pans creux 4 mm pour

l'actionnement de l'excentrique

  • Boulons et chevilles, voir 48.022.
  • Tournevis Pozi 3, voir 95.548.03
  • Clé Inbus, voir 95.610.06 / 4 mm.
Marque
Grass
Type de produit
Ferrure de raccord excentrique
Gamme de produits
Fixograss
Ø de perçage
15 mm
Matériau
Zinc
Finition
nickelé

Boulon d'angle GRASS® Fixograss

Acier galvanisé, boulon d'angle avec filetage M5 pour montage avec chevilles plastique ou boulon d'angle Ø 6,2 mm pour montage direct

Vers le produit

Boulon jumelé GRASS® Fixograss

Acier galvanisé, pour vissages traversants dans des rangées de trous

Ø 5 mm, 2 pièces, partie douille et partie vis séparées

Vers le produit

Chevillle GRASS® pour boulon d'angle Fixograss

plastique, avec filet intérieur M5

Vers le produit