Schalterzylinder KABA 8, 1007 F


18.197.01


prev
next

Schalterzylinder KABA 8, 1007 F
18.197.
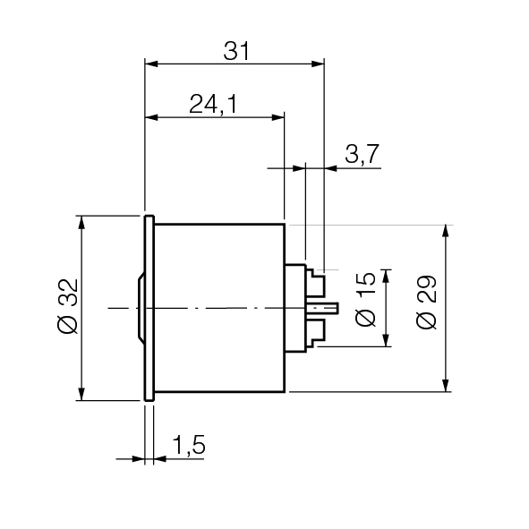
matt vernickelt, verschiedenschliessend, Schlüsselabzugstellung 1 x 360°, für Drehschalter aller Fabrikate, Triebarm 1007 - 56
- Kaba 8 mit 3 Schlüssel: Werden mehr als 3 Schlüssel gewünscht, bitte die entsprechende Anzahl Mehrschlüssel zu Zylinder mit 18.800.03 zusätzlich bestellen.
- Andere Schalterzylinder ab Werk.

- Marke
- DormaKaba
- Material
- Messing
- Oberfläche
- vernickelt matt
- Produktart
- Schalterzylinder
- Schliessung
- verschiedenschliessend
- Zylinderlänge
- 24,1 mm
- Zylinder-Ø
- 29 mm
- System
- Kaba 8
- Anzahl Schlüssel
- 3 Stück

