Fiche pour objets SIMONSWERK VARIANT VX 7859 / 160-4



10.364.29



prev
next

Fiche pour objets SIMONSWERK VARIANT VX 7859 / 160-4
10.364.
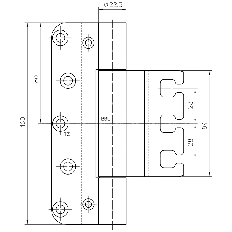
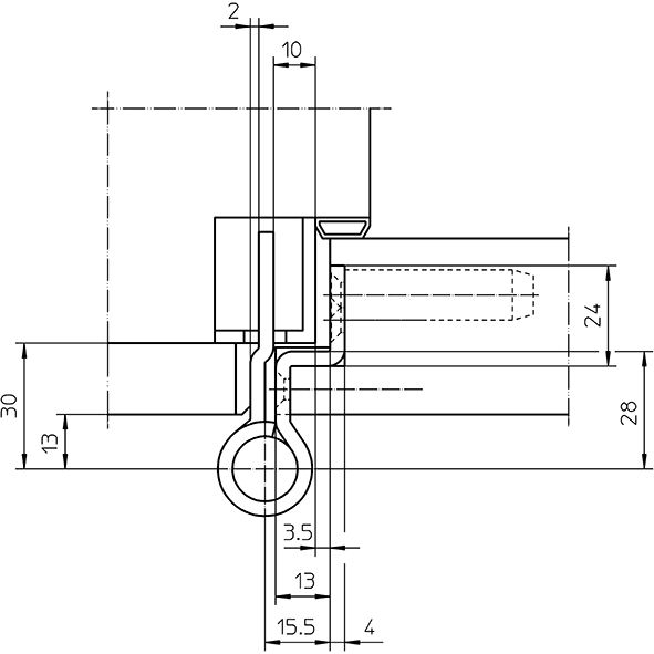
Inox mat, pour portes affleurantes à rainure sur huisserie bois, acier et aluminium, tige filetée interne anti-torsion, paliers lisses axiaux-radiaux cachés, sans entretien, épaisseur de platine 44 mm, jeu de fixation 3,5 mm, approprié pour l'usage sur le feu et de fumée protection portes selon la norme EN 1634-1, préparé pour l'élement de logement huisserie 3D VX, force portante avec 2 fiches env. 160 kg, sans élément de logement huisserie
- Élément de logement VX, voir 10.378.
- Vis à tête fraisée Ø 5 x 50 mm, voir 69.010.60
- Cadre de fraisage universel, voir 99.150.
- Gabarit de fraisage, voir 99.156.
- Fraise Ø 24 mm.
- Force portante désigne la taille de porte 1000 x 2000 mm avec 2 bandes.

- Marque
- Simonswerk
- Type de produit
- Fiche pour objets
- Type de pliage
- plié
- Norme de sécurité incendie
- vérifié
- Ø de rouleau
- 22,5 mm
- Hauteur de platine
- 160 mm
- Épaisseur de platine
- 4 mm
- Poids du vantail max.
- 160 kg
- Modèle
- Variant VX
- Matériau
- acier inoxydable
- Finition
- mat
- Numéro d'usine
- 5 051532 0 04002













