Objektband SIMONSWERK VARIANT VX 7859 / 160-4 15/5 FD MSTS




10.364.80




prev
next

Objektband SIMONSWERK VARIANT VX 7859 / 160-4 15/5 FD MSTS
10.364.
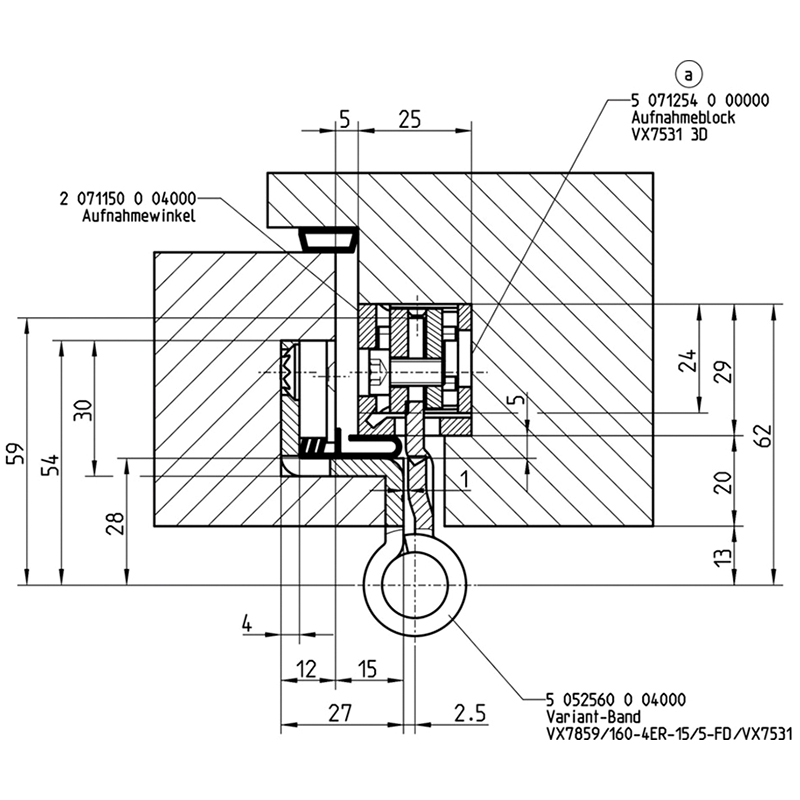
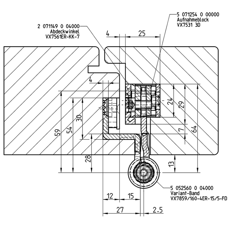
Edelstahl matt, mit Stiftsicherung, für gefälzte, flächenbündig einschlagende Schallschutztüren mit durchgehender Flügeldichtung an Holz-, Stahl- und Aluminiumzargen, innenliegender, verdrehsicherer Schraubstift, verdeckt liegende, wartungsfreie Axial-Radial-Gleitlager, Lappendicke 4 mm, Anschlagluft 5 mm, für Falz 15 mm, geeignet zur Anwendung an Feuer- und Rauchschutztüren nach EN 1634-1, vorgerichtet für 3D-Aufnahmeelement VX, Tragkraft bei 2 Band ca. 160 Kilo, ohne Aufnahmeelement
- Fräser-Ø 24 mm.
- Die Tragkraft bezieht sich auf eine Türgrösse von 1000 x 2000 mm mit 2 Band.

- Marke
- Simonswerk
- Produktart
- Objektband
- Falzart
- gefälzt
- Brandschutznorm
- geprüft
- Rollen-Ø
- 22,5 mm
- Lappenhöhe
- 160 mm
- Lappendicke
- 4 mm
- Flügelgewicht max.
- 160 kg
- Modell
- Variant VX
- Material
- Edelstahl
- Oberfläche
- matt
- Fabriknummer
- 5 052554 0 04002













