Rudolf Geiser AG

Objektband BASYS PIVOTA® DX 38 "N" 3-D

10.500.12

Objektband BASYS PIVOTA® DX 38 "N" 3-D

10.500.

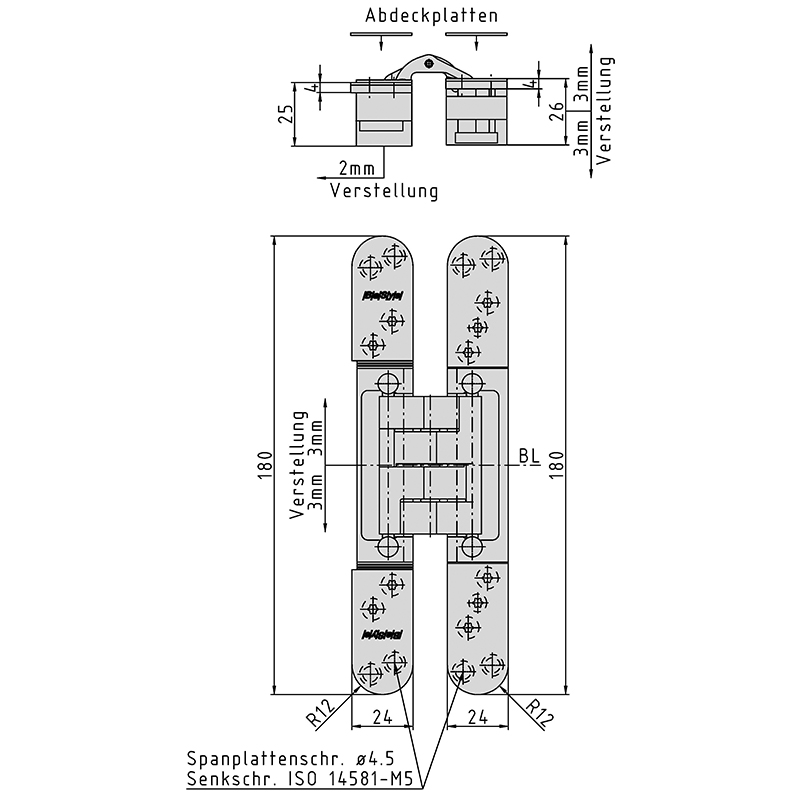
Gehäuse Aluminium, Lappen Stahl, für stumpf einschlagende Türen, bei geschlossener Tür ist das Band unsichtbar, 3-dimensionale Verstellung, wartungsfreie Lagerungen, mit sichtbaren Schrauben oder Design-Ausführung, mit Befestigungsschrauben, Tragkraft bei 2 Band ca. 60 Kilo

Ausführung Design:
Für puristische Optik ist diese Option bestens geeignet, magnetisch gehaltene Abdeckplatten bieten leichten Zugang zu den Befestigungsschrauben, decken diese aber in ästhetischer Weise ab

  • Aufnahmeplatte siehe 10.508.00
  • Bandaufnahmekasten siehe 10.509.81
  • Weitere Oberflächen auf Anfrage.
Marke
BaSys
Produktart
Objektband
Lappenhöhen
180 mm
Flügelgewicht max.
60 kg
Modell
Pivota
Material
Aluminium, Stahl

Aufnahmeplatte BASYS PIVOTA® DX 38

Stahl passiviert, Verschraubung des Objektbandes PIVOTA® DX 38 3-D in Futter- bzw. Umfassungszargen

Zum Produkt

Bandaufnahmekasten PIVOTA® DX

Stahl verzinkt, Verschraubung der Objektbänder PIVOTA® DX in Stahlzargen

Zum Produkt