Objektband BASYS OBJECTA® 2282


10.467.03


prev
next

Objektband BASYS OBJECTA® 2282
10.467.
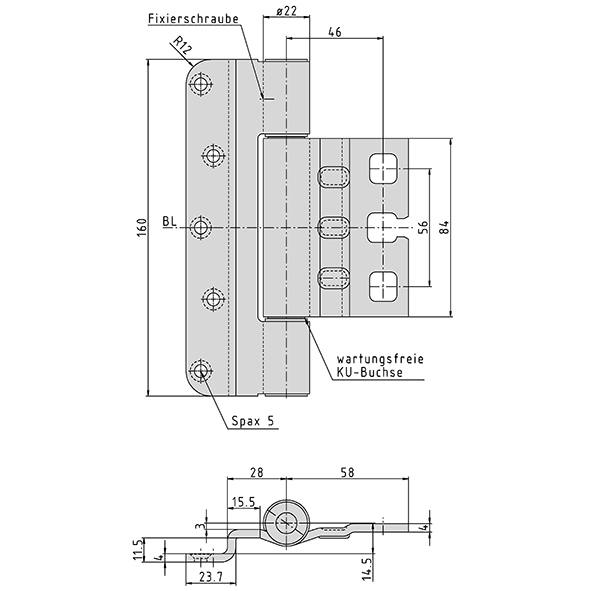
Edelstahl gebürstet, für gefälzte, flächenbündig einschlagende Türen, wartungsfrei, mit Stiftsicherung, eingebaut demontierbar, Lappendicke 4 mm, zur Verwendung an Türen in Flucht- und Rettungswegen mit Anforderungen an den Rauch- und Brandschutz, Tragkraft bei 2 Band ca. 160 Kilo
- Schrauben SK Ø 5 mm.

- Brandschutznorm
- geprüft
- Falzart
- gefälzt
- Fluchtwegnorm
- geeignet für Fluchtweg
- Marke
- BaSys
- Produktart
- Objektband
- Rollen-Ø
- 22 mm
- Lappenhöhe
- 160 mm
- Lappenbreiten ab Mitte Rolle
- 47,7 / 58 mm
- Flügelgewicht max.
- 160 kg
- Modell
- Objecta
- Material
- Edelstahl
- Oberfläche
- gebürstet
- Fabriknummer
- 040610



