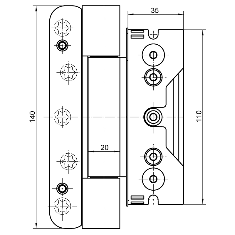
Haustürband-Set SIMONSWERK BAKA Protect 4010 3D, 3-dimensional verstellbar




10.143.21-31




prev
next

Haustürband-Set SIMONSWERK BAKA Protect 4010 3D, 3-dimensional verstellbar
10.143.
Stahl verzinkt, weiss beschichtet RAL 9016 oder Edelstahl matt,
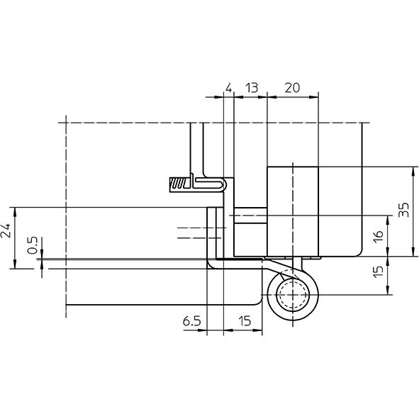
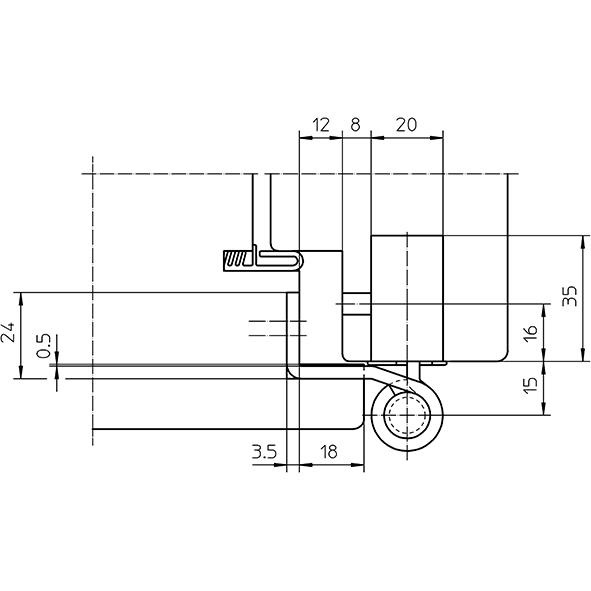
für Holztüren mit Überschlag 15 mm und 18 mm,
für Falzluft 4 mm und 12 mm,
mit wartungsfreier Gleitlagertechnik und Komfort-Verstellung, Höhen-, Seiten- und Andruckverstellung ± 3 mm, alle Verstellmöglichkeiten einstellbar auch ohne Aushängen oder Unterkeilen der Türe, mit verdeckt liegendem Aufnahmeelement im Flügel und Rahmen, minimaler Fräsaufwand, Belastbarkeit 160 Kilo
Set bestehend aus:
- 2 Bänder mit Andruckverstellung
- 1 Band mit Höhenverstellung
- Bohr- und Fräskörper siehe 99.158.41+42
- Ausführung MSTS mit Stiftsicherung für auswärts öffnende Haustüren ab Werk.

- Brandschutznorm
- geprüft
- Falzart
- gefälzt
- Marke
- Simonswerk
- Produktart
- Haustürband
- Überschlag
- 15, 18 mm
- Flügelgewicht max.
- 160 kg
- Modell
- BAKA Protect




