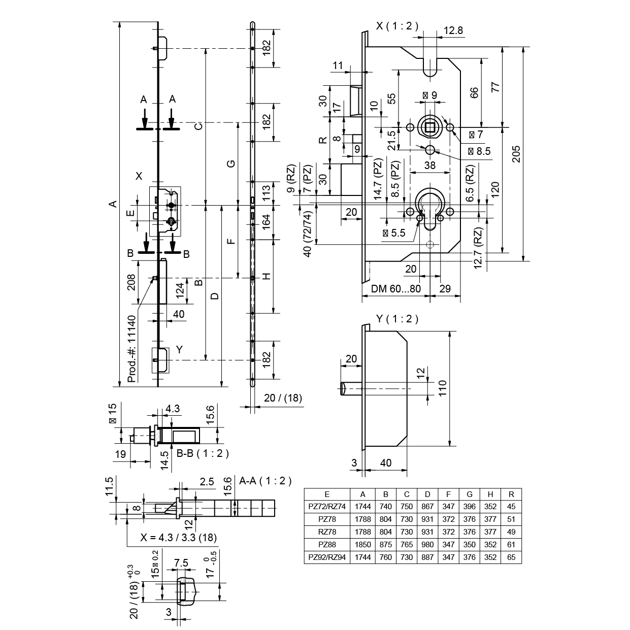
Mehrpunktverriegelung GLUTZ MINT 18992 SVM eco NF, selbstverriegelnd, motorisch öffnend, Nachtfunktion, umstellbare Komfortfalle, Rundstulp 18 / 20 x 1788 mm, Edelstahl matt


14.036.22-74



Mehrpunktverriegelung GLUTZ MINT 18992 SVM eco NF, selbstverriegelnd, motorisch öffnend, Nachtfunktion, umstellbare Komfortfalle, Rundstulp 18 / 20 x 1788 mm, Edelstahl matt
14.036.
selbstverriegelnde Mehrfachverriegelung mit integrierter Fallenblockierung, DIN links und rechts umstellbare Komfortfalle mit Blockierung, Ablaufsteuerung und Nachtfunktion, für den Einsatz in Haus- und Wohnungseingangstüren sowie im Wirtschaftsbau, der Austritt ist über den Innendrücker jederzeit ohne Nachtfunktion möglich, bei bewusst eingeschalteter Nachtfunktion über den Zylinder ist der Innendrücker blockiert, ein Austritt ist nur noch über die Wechselfunktion möglich, somit können z.B. Kinder das Haus nicht ohne Identifikationsmittel verlassen, gleichzeitig erhöht sich der Einbruchschutz, indem eine Manipulation des Innendrückers von aussen verhindert wird, die Bedienung von aussen erfolgt über den Zylinder / Wechselfunktion (Knopf / Stossgriff), geprüft nach DIN 18251-3, EN 14846, EN 1634, ohne Anschlusskabel
- Die Umstellung bieten wir Ihnen in unserer Schlosserei an unter 00.112.45, bitte Fragen Sie uns an.
- Schliessbleche siehe 14.070. und 14.073.
- Anschlusskabel siehe 17.121.81+82
- Komfortfalle DIN rechts voreingestellt / auf links umstellbar.
- Keine asymmetrischen Zylinder mit L-Mitnehmer zugelassen.
- Keine Reduktionshülsen für die Schlossnuss / Dorn zugelassen.
- Stulpverlängerung ist durch Montageset selbst montierbar und benötigt keine vorgerichtete Mehrpunkteverriegelung

- Marke
- Glutz
- Produktart
- Mehrpunkteverriegelung
- Distanz
- 78 mm
- Anschlagsrichtung
- DIN umstellbar
- Nuss
- 9
- Stulpart
- Rund
- Stulplänge
- 1788 mm
- Stulpstärke
- 3 mm
- Anzahl Flügel
- 1-flüglig
- Verriegelung
- Selbstverriegelung (SV)
- Brandschutznorm
- geprüft
- Widerstandsklasse
- ES2 / RC3
- Türart
- Holz
- Bedienung
- Schlüsselbedient
- Tages- oder Nachtfunktion
- Nachtfunktion
- Überwachung
- ja
- Betriebsspannung
- 12, 24 ±
- Riegelvorschub
- 20 mm
- Material
- Edelstahl, Stahl
- System
- MINT
- Funktion
- motorisch






















