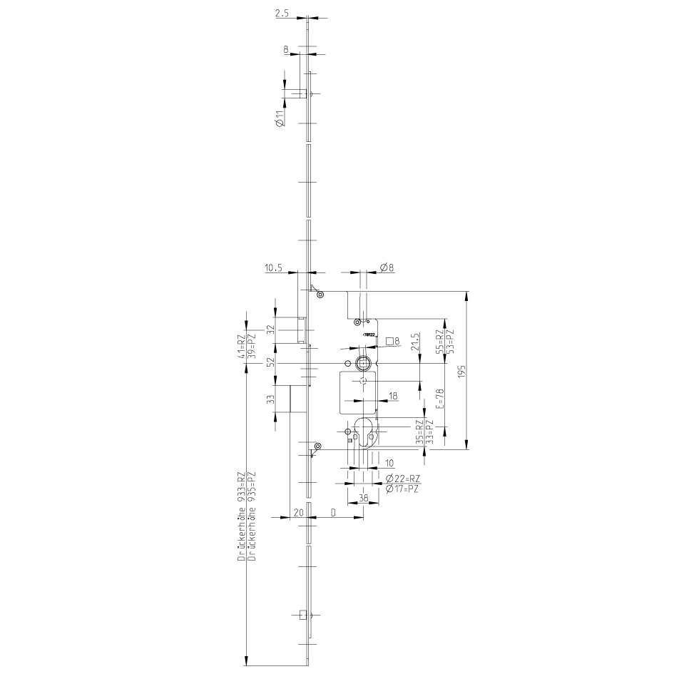
Mehrpunktverriegelung G-U-Secury Europa R2, drückerbedient, mit Rundstulp 18 x 1777,5 mm verzinkt


14.200.06-57


prev
next

Mehrpunktverriegelung G-U-Secury Europa R2, drückerbedient, mit Rundstulp 18 x 1777,5 mm verzinkt
14.200.
3-Punkt-Verriegelung durch Hauptriegel und 2 verstellbaren Rollzapfen, mit Zinkfalle, DIN rechts und DIN links umstellbar, Riegel 1-tourig, Riegelvorschub 20 mm, Öffnungs- und Schliessvorgang durch Drückerbetätigung, durch den Zylinder wird diese Funktion blockiert oder wieder freigeschaltet, Mass Mitte Nuss bis Oberkante Schlosskasten 55 mm
- Schliessblech siehe 14.270. bis 14.273.

- Marke
- G-U
- Produktart
- Mehrpunkteverriegelung
- Distanz
- 78 mm
- Anschlagsrichtung
- DIN umstellbar
- Stulpbreite
- 18 mm
- Stulpart
- Rund
- Stulplänge
- 1777.5 mm
- Stulpstärke
- 2.5 mm
- Anzahl Flügel
- 1-flüglig
- Verriegelung
- Manuell
- Brandschutznorm
- ungeprüft
- Türart
- Holz
- Bedienung
- Drückerbedient
- Touren
- 1-tourig
- Riegelvorschub
- 20 mm
- Material
- Stahl
- Oberfläche Stulp
- verzinkt
- System
- SECURY Europa
- Funktion
- mechanisch


