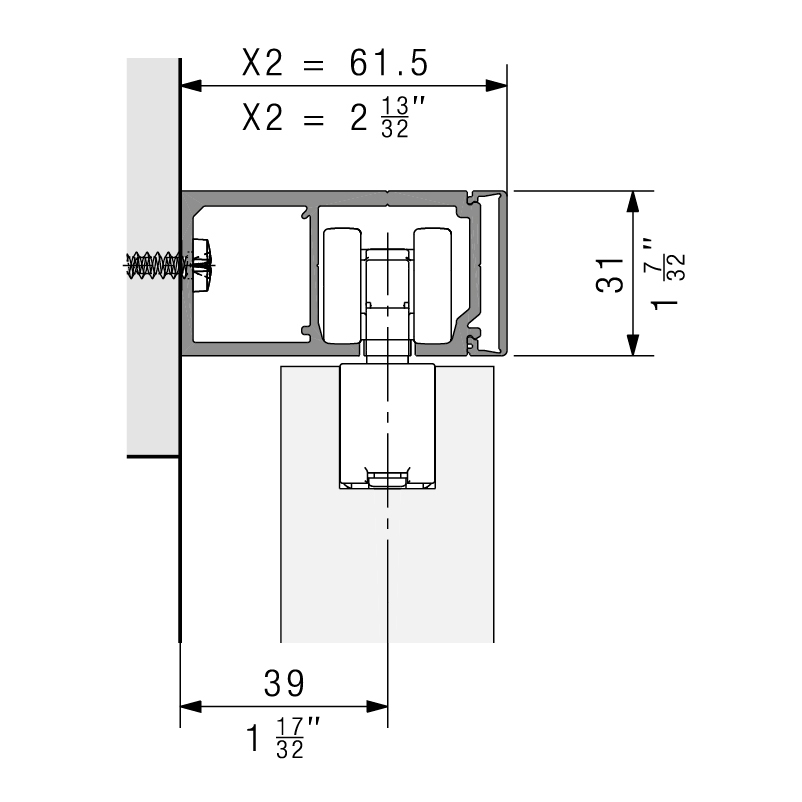
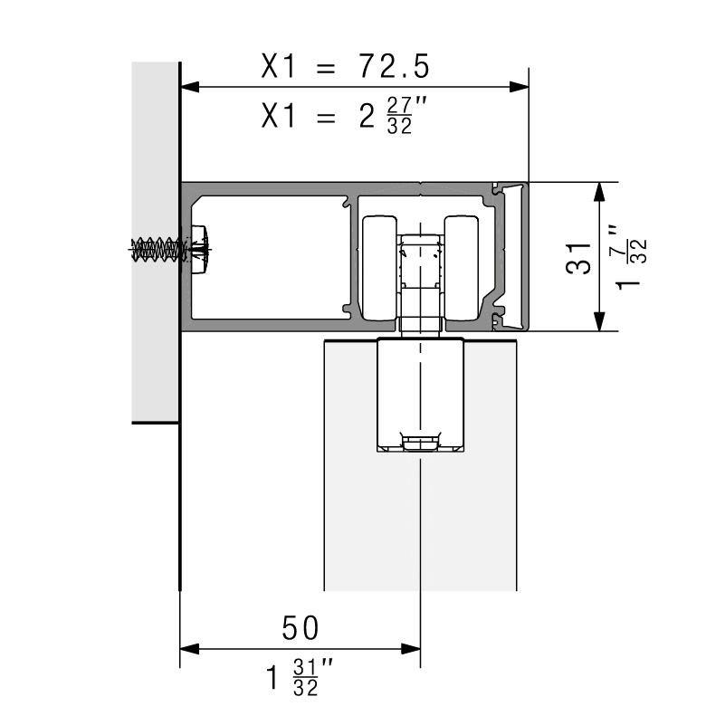
Laufschiene HAWA Distanzerweiterung, Porta 60/100 HC/HMD



21.011.20-73



prev
next

Laufschiene HAWA Distanzerweiterung, Porta 60/100 HC/HMD
21.011.
Aluminium eloxiert, gelocht
- Clip-Blende siehe 21.011.15-69
- Clip-Blende siehe 21.012.05-59
- Clip-Teil siehe 21.005.17

- Marke
- Hawa
- Oberfläche
- farblos eloxiert F1



