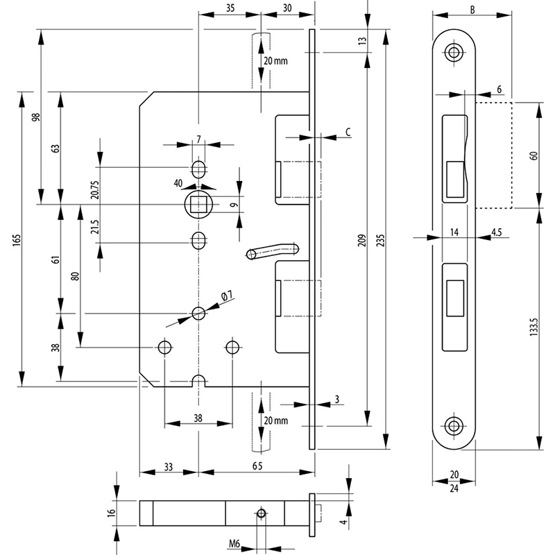
Panik-Treibriegelschloss B 2390, zu Panik-Einsteckschlösser Serie 23



17.004.03-26, Abbildung = DIN rechts



prev
next

Panik-Treibriegelschloss B 2390, zu Panik-Einsteckschlösser Serie 23
17.004.
Für automatische Standflügelverriegelung 2-flügliger Notausgangstüren
geprüft nach DIN EN 179 / EN 1125 mit Stangenanschluss M6 für Oben- und Untenverriegelung
Dornmass 65 mm
Stulp Edelstahl matt, Nuss 9 mm, ohne Zubehör
Mitte Nuss bis Oberkante Schlosskasten 63 mm
- Panik-Einsteckschloss siehe 17.003.
- Position 8 = Schaltschloss B 1595 siehe 17.072.01
- Position 7 = Treibriegelstange oben B 9006 siehe 17.072.06-07
- Position 9 = Treibriegelstange unten B 9006 17.072.14
- Position 6 = Lappenschliessblech oben B 9000 siehe 17.072.21
- Position 6 = Winkelschliessblech oben B 9000 siehe 17.072.22
- Position 11 = Bodenschliessmulde unten B 9009 siehe 17.072.23
- Position 11 = Steinbüchse B 9003 siehe 17.072.24
- Position 11 = Bodenschliessmulde B 00280 siehe 17.072.36
- Position 10 = Stangenführungsplatte unten B 9019 siehe 17.072.27

- Dornmass
- 65 mm
- Nuss
- 9 mm
- Stulplänge
- 235 mm
- Material
- Edelstahl
- Oberfläche
- matt
- Position
- 3
- Produktart
- Treibriegel
- Markenbild
- BKS
- Marke
- BKS
- Fabriknummer
- B 2390












