Panik-Standflügelverriegelung MSL 24413-M / 24413-H, Edelstahl matt


17.278.13


prev
next

Panik-Standflügelverriegelung MSL 24413-M / 24413-H, Edelstahl matt
17.278.
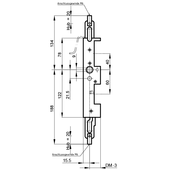
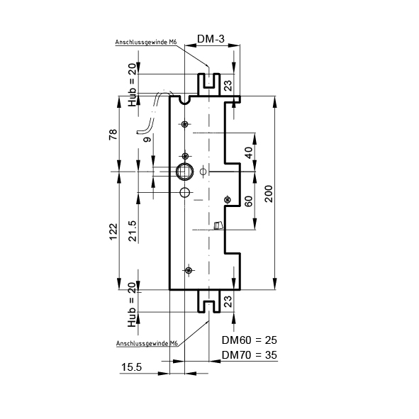
Gegenkasten zu FlipLock ZF (zweifüglig), Nuss 1-teilig,
für automatische Standflügelverriegelung bei 2-flügligen Notausgangstüren,
mit Stangenanschluss M6 für Oben- und Untenverriegelung,
ohne Zubehör
Öffnen: immer möglich, auch bei verriegeltem Schloss des Gehflügels (Panikfunktion), mit Drücker, Panikgarnitur oder eBar, Drücker nach unten drücken = Gestänge wird entriegelt und vom Schaltschloss festgehalten
Schliessen: automatisch, beim Schliessen der Türe, durch Schaltschloss-Auslösung
- Panik-Mehrpunktverriegelung für Gangflügel siehe 17.706. bis 17.789.
- Panik-Einsteckschloss für Gangflügel siehe 17.768. bis 17.789.
- Zubehör für Untenverriegelung siehe 17.223.07-35
- Zubehör für Obenverriegelung siehe 17.223.57-88
- Stulp-Set zu Standflügelverriegelung siehe 17.279.05-36

- Anschlagsrichtung
- DIN universal
- Gewinde
- M6
- Hub
- 20 mm
- Material
- Edelstahl matt
- Oberfläche
- Edelstahl matt
- Produktart
- Standflügelverriegelung
- Markenbild
- MSL
- Marke
- MSL



















