Panik-Gegenkasten GLUTZ 12100 P


17.118.06-10


prev
next

Panik-Gegenkasten GLUTZ 12100 P
17.118.
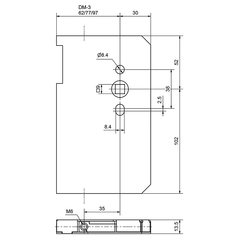
Edelstahl matt, konfigurierbarer Gegenkasten, mittiger Schlosskasten für geschraubte Stulpen, Drückerhochhaltung aktiv, Zwangsnuss 9 mm, 2 - 5 mm Spaltluft Überbrückung, Rückstossgesicherte Verriegelungsstangen, ohne Stulp, geprüft nach EN 179, EN 1125, EN 1634, EN 12209
Für 2-flüglige Vollpanik-Türen, in Verbindung mit den Einsteckschlösser 12402, 12412, und 12500. Nach erfolgter Panikfunktion, dem Öffnen des Standflügels über einen Panikbeschlag, verriegelt der Standflügel durch das Schaltschloss automatisch. Bei geöffneter Tür ist der Panikdrücker gefedert
Anwendungsgebiet:
Wirtschaftsbau, Altenheimen, Nebenabschlusstüren in Schulen und Hotels
- Panik-Einsteckschloss siehe 17.113., 17.116., und 17.117.
- Stulp zu Standflügelverriegelung siehe 17.118.11-16
- Verriegelungsstange oben siehe 17.118.21-24
- Verriegelungsstange unten siehe 17.118.26-27
- Verriegelungsstange für Planet siehe 17.118.31-32
- Stangenführungsplatte siehe 17.118.36
- Bodenschliessmulde siehe 17.118.41
- Lappenschliessblech siehe 17.118.46-47
- Schaltschloss siehe 17.118.51-52
- Stulp zu Gegenkasten ist separat zu bestellen.

- Anschlagsrichtung
- DIN universal
- Nuss
- 9 mm
- Gewinde
- M6
- Material
- Edelstahl matt
- Oberfläche
- Edelstahl matt
- Produktart
- Gegenbascule
- Vierkant
- 9 mm
- Markenbild
- Glutz
- Marke
- Glutz



















