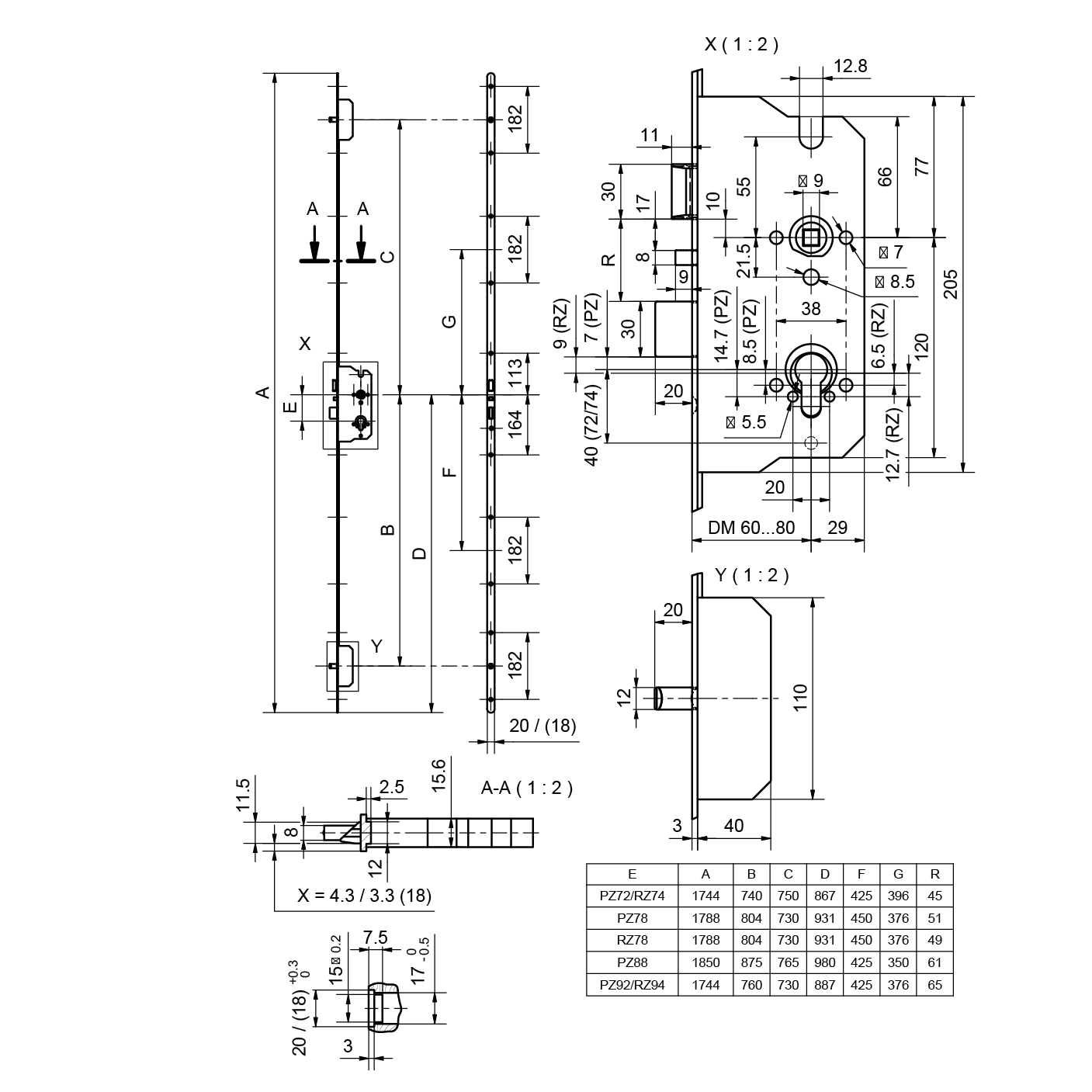
Mehrpunktverriegelung GLUTZ MINT 18970 SV ELK PC, selbstverriegelnd, elektrisch kuppelbar, Panik C, auswärts / einwärts öffnend, Rundstulp 18 / 20 x 1788 mm, Edelstahl matt


17.124.22-78



Mehrpunktverriegelung GLUTZ MINT 18970 SV ELK PC, selbstverriegelnd, elektrisch kuppelbar, Panik C, auswärts / einwärts öffnend, Rundstulp 18 / 20 x 1788 mm, Edelstahl matt
17.124.
elektrisch kuppelbare Mehrfachverriegelung mit integrierter Selbstverriegelung, Fallenblockierung, Ablaufsteuerung und Panik C Funktion, für Haupt- und Nebeneingangstüren mit elektrisch gesteuerter Drückerbedienung im Wohnungs- und Wirtschaftsbau, die Panik C Funktion mit geteilter Schlossnuss und getrennter Drückersteuerung (aussen / innen) bietet die ideale Kombination zwischen Zutrittskontrolle und Fluchtweg, der Aussendrücker kann elektrisch oder über den gehaltenen Zylinder mechanisch (Notöffnung) ein- / ausgekuppelt werden, der Zutritt wird über ein Identifikationssystem z.B. RFID, Biometrie, Gebäudeleitsystem etc. oder den Zylinder geregelt, Betriebsart (Ruhe- / Arbeitsstrom), die Panikseite und der Manipulationsschutz sind umstellbar
- Die Umstellung bieten wir Ihnen in unserer Schlosserei an unter 00.112.45, bitte Fragen Sie uns an.
- Ausschliesslich Panik Vierkantstift 5920 17.190.11-17 verwenden.
- Für Norm EN 1627 RC3 wird ein Manipulationsschutz benötigt, siehe 17.121.
- Für die Umstellung der Komfortfalle / Panikseite wird ein Drehmomentschlüssel benötigt siehe 95.561.22
- Zylinderschraube ist nicht mittig vom Stulp. Zur Ermittlung der Zylinderlängen: Mitte Stulp = Mitte Schlosszylinder.
- Keine asymmetrischen Zylinder mit L-Mitnehmer zugelassen.
- Keine Reduktionshülsen für die Schlossnuss/Dorn zugelassen.
- Kein externer, mechanischer Riegelschaltkontakt empfohlen.
- Die Drücker müssen auf Schilder/Rosetten drehbar-fest gelagert sein (easyfix®).
- Manipulationsschutz-Set 17.121.95 ist zwingend zu verwenden.
- Komfortfalle DIN rechts voreingestellt / auf links umstellbar.
- Panikseite ist auswärts voreingstellt, auf einwärts umstellbar.

- Marke
- Glutz
- Produktart
- Panik-Mehrpunkteverriegelung
- Anschlagsrichtung
- DIN umstellbar
- Distanz
- 78 mm
- Stulpart
- Rund
- Panikfunktion
- C umstellbar
- Fluchtrichtung
- umstellbar
- Nuss
- 9
- Stulpstärke
- 3 mm
- Stulplänge
- 1788 mm
- Anzahl Flügel
- 1-flüglig
- Fluchtwegnorm
- SN EN 179 / 1125
- Verriegelung
- Selbstverriegelung (SV)
- Brandschutznorm
- geprüft
- Widerstandsklasse
- ES2 / RC3
- Türart
- Holz
- Bedienung
- Drückerbedient
- Überwachung
- ja
- Betriebsspannung
- 12, 24 ± Volt
- Riegelvorschub
- 20 mm
- Material
- Edelstahl, Stahl
- Oberfläche Stulp
- Edelstahl matt
- System
- MINT
- Funktion
- mechatronisch





















