Sicherheitsschloss motorisch gesteuert 509N


17.309.03-36



Sicherheitsschloss motorisch gesteuert 509N
17.309.
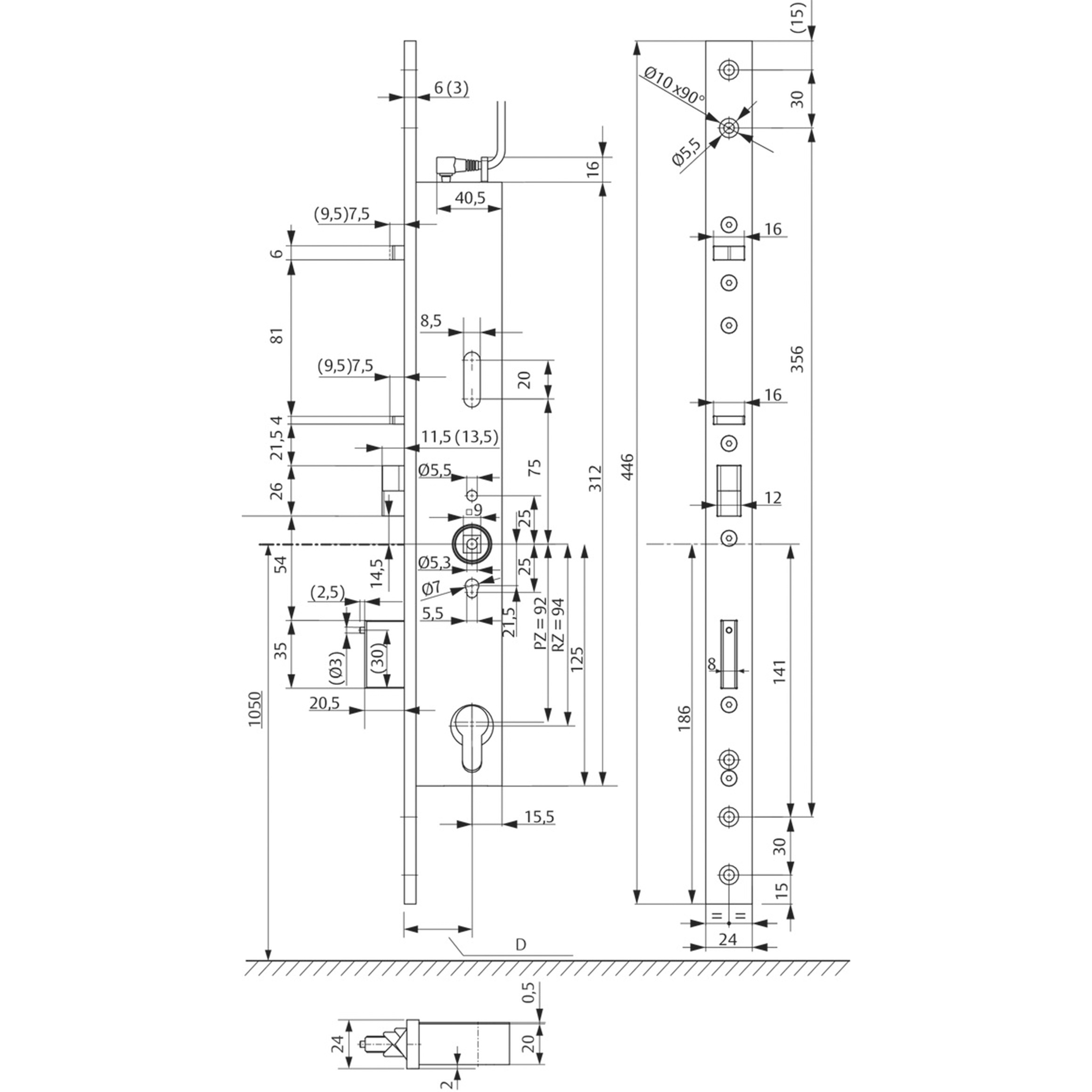
das 509N ist ein selbstverriegelndes Panikschloss mit motorischem Antrieb für 1-flüglige Türen, es erfüllt die Anforderungen an einbruchhemmende Türen, Feuerschutztüren, Notausgangs- und Paniktüren nach EN 179 und EN 112, eine mechanische Ablaufsteuerung verhindert zuverlässig das ungewollte Ausschliessen der Riegel bei geöffneter Türe, das Schloss ist universal DIN links und DIN rechts einsetzbar, durch universelle Kreuzfalle und umstellbare Steuerfalle, integrierte Steuerelektronik zur externen Ansteuerung oder zur Anbindung an das ASSA ABLY Hi / O Bussystem, integrierte Überwachungsfunktionen ausgeführt als berührungsfreie Sensoren, zur Zustandsabfrage über das externe OneSystem IO-Modul, Türzustand durch Schliessblechkontakt, Riegel eingeschlossen und Riegel ausgeschlossen, Schliesszylinderüberwachung, Drückernussüberwachung
- Lappenschliessblech siehe 17.326.64

- Marke
- Assa Abloy
- Produktart
- Panik-Einsteckschloss
- Anschlagsrichtung
- DIN umstellbar
- Stulpbreite
- 24 mm
- Stulpart
- Eckig
- Panikfunktion
- E
- Nuss
- 9
- Stulplänge
- 446 mm
- Anzahl Flügel
- 1-flüglig
- Fluchtwegnorm
- SN EN 179 / 1125
- Verriegelung
- Selbstverriegelung (SV)
- Brandschutznorm
- ungeprüft
- Widerstandsklasse
- ES1 / RC2
- Bedienung
- Schlüsselbedient
- Überwachung
- ja
- Betriebsspannung
- 24 ±
- Riegelvorschub
- 20 mm
- Material
- Edelstahl, Stahl
- Oberfläche Stulp
- Edelstahl matt
- Funktion
- motorisch





