Elektro-Türöffner effeff 118.23 ProFix 2


15.320.03-04


prev
next

Elektro-Türöffner effeff 118.23 ProFix 2
15.320.
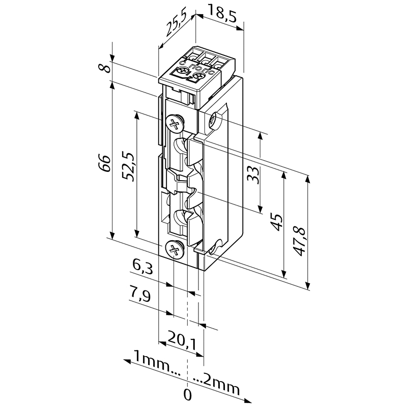
Modell mit Rückmeldekontakt als potentialfreier Wechselkontakt. Dieser wird von der Schlossfalle betätigt, ohne Schliiessblech
Radiusfalle, FaFix® 3 mm verstellbar
Universalspannungen
Kompatibel zu gängigen Einsteckschlössern
Kompatibel zu ProFix® 2 Schließblechen
Optimale Auslaufschrägen für sanftes Zusammenspiel mit der Schlossfalle
DIN links/rechts, sowie waagerecht einsetzbar
- Schliessbleche siehe 15.325.
- Weitere Ausführungen ab Werk.

- Betriebsart
- Arbeitsstrom
- Rückmeldekontakt
- mit
- Marke
- Eff Eff
- Produktart
- Elektro-Türöffner
- Einbaulage
- senkrecht / waagrecht
- DIN-Richtung
- umstellbar
- Brandschutznorm
- ungeprüft
- Höhe
- 74 mm
- Breite
- 20,1 mm
- Tiefe
- 25,5 mm
- verstellbare Falle
- Ja
- Modellreihe
- 118 ProFix 2










