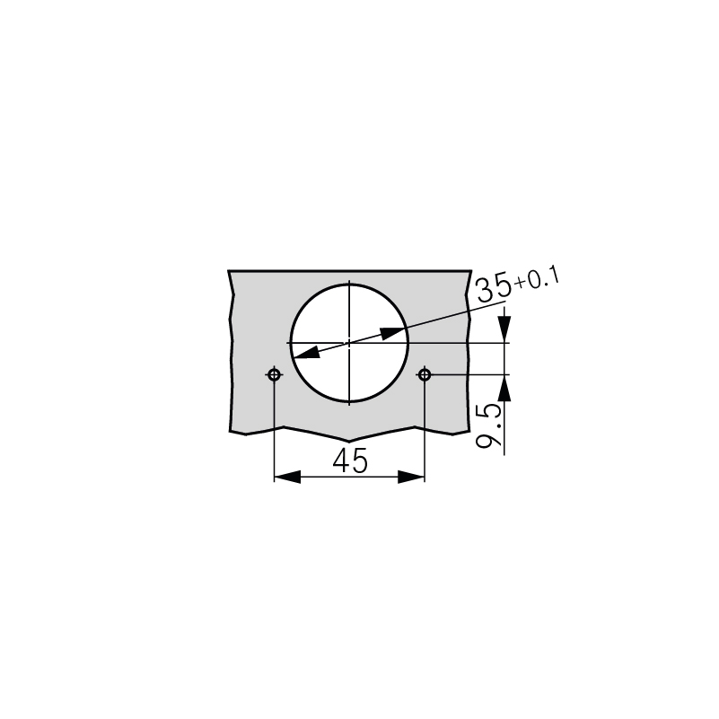
Topfband GRASS® Tiomos 110° Click-on, für Stollenkonstruktionen, Bohrbild 45 / 9,5





44.023.10





prev
next

Topfband GRASS® Tiomos 110° Click-on, für Stollenkonstruktionen, Bohrbild 45 / 9,5
44.023.10
Stahl schwarz, Topf zum Anschrauben, Dämpfungs-Technologie unsichtbar im Scharnierarm integriert und in drei Leistungsstufen werkzeuglos einstellbar, Höhenverstellung ± 2,5 mm, Tiefenverstellung + 3 / - 2 mm, Seitenverstellung ± 2 mm, ohne Abdeckkappen, ohne Grundplatte
- Grundplatten siehe 44.086.25-28
- Standard-Grundplattenhöhe 3 verwenden, damit Tür- und Stollenfläche bündig sind.
- Abklippsschutz Tiomos siehe 44.096.21
- Distanzring bei dünnen Türen siehe 44.096.25
- Druckschnäpper Tipmatic siehe 48.164.12
- Spanplattenschraube SK verzinkt 3,5 x 16 mm siehe 69.000.23
Preis per | Pack
Artikel nicht vorhanden
- Bandtyp
- Innenband
- Bohrbild
- 45 / 9,5
- Dämpfung
- mit
- Fabriknummer
- F028140961
- Feder
- mit
- Marke
- Grass
- Material
- Stahl
- Montageart
- Zum Schrauben
- Oberfläche
- night
- Öffnungswinkel
- 110°
- Produktart
- Stollenband
- Türauflage
- Einliegend



