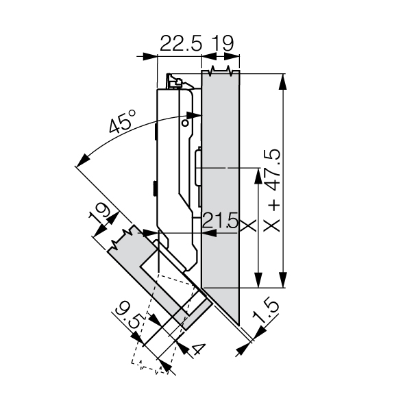
Topfband GRASS® Tiomos 120° Click-on, für -45° abgeschrägte Korpusse, Bohrbild 45 / 9,5




44.016.21




prev
next

Topfband GRASS® Tiomos 120° Click-on, für -45° abgeschrägte Korpusse, Bohrbild 45 / 9,5
44.016.21
Stahl vernickelt, Topf zum Anschrauben, Dämpfungs-Technologie unsichtbar im Scharnierarm integriert und in drei Leistungsstufen werkzeuglos einstellbar, Höhenverstellung ± 2,5 mm, Tiefenverstellung + 3 / - 2 mm, Seitenverstellung ± 2 mm, ohne Abdeckkappen, ohne Grundplatte
Preis per 1 ST | Pack 25 ST
Stück
- Bandtyp
- Eckband
- Bohrbild
- 45 / 9,5
- Dämpfung
- mit
- Fabriknummer
- F028138557
- Feder
- mit
- Marke
- Grass
- Material
- Stahl
- Montageart
- Zum Schrauben
- Oberfläche
- vernickelt
- Öffnungswinkel
- 120°
- Produktart
- Winkelband
- Produktlinie
- Tiomos
- Türauflage
- Aufliegend











