Fensterdichtung DEVENTER SP 6802



25.007.01-06



prev
next

Fensterdichtung DEVENTER SP 6802
25.007.01
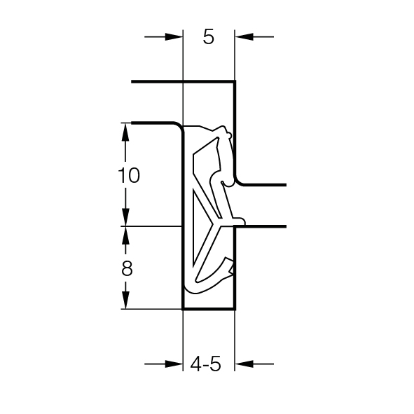
TPS-Qualität, thermoplastisches Elastomer Schaum,
als Flügelfalzdichtung einsetzbar, Anschlagluft 5 mm
- ¦ = Verkauf nur in ganzen Packungen.
Preis per 1 MT | Pack 200 MT
Meter
- Anschlagluft
- 5 mm
- Falzbreite
- 10 mm
- Farbe
- weiss
- Material
- TPS
- Nutbreite
- 4 - 5 mm
- Nuttiefe
- 8 mm
- Produktart
- Rahmendichtung
- Typ
- SP 6802