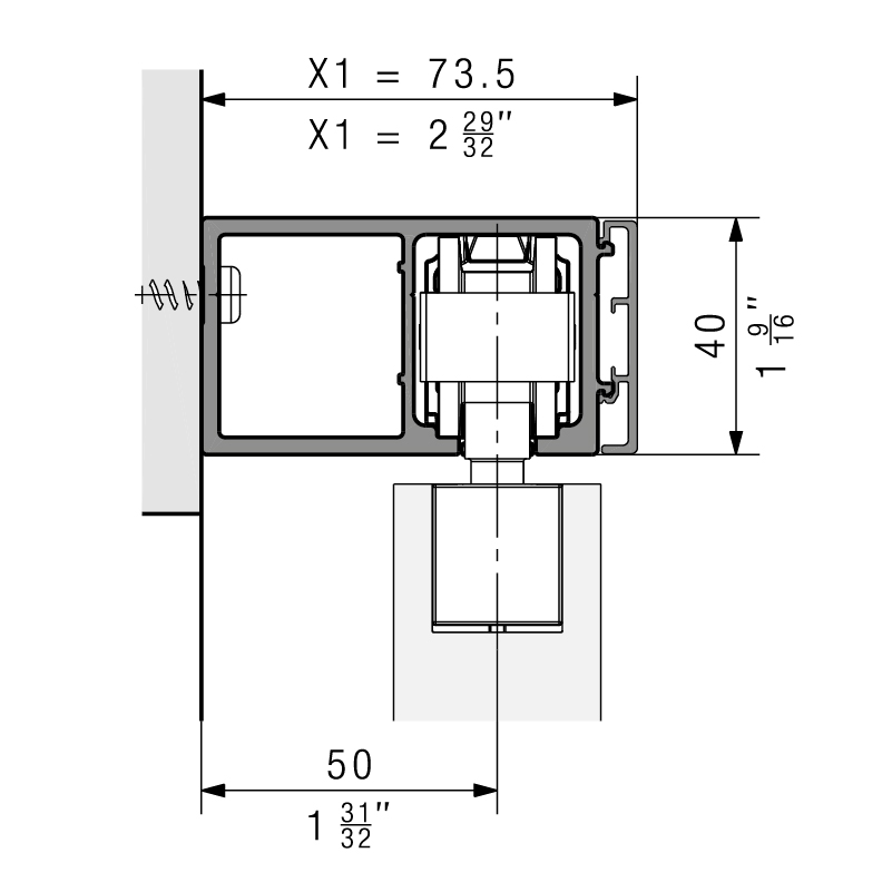
Laufschiene HAWA Distanzerweiterung, Junior 80/100


21.110.22


prev
next

Laufschiene HAWA Distanzerweiterung, Junior 80/100
21.110.22
Aluminium eloxiert, gelocht
- Clip-Teil siehe 21.005.17
- Clipblende siehe 21.106.10-56
- Clipblende siehe 21.106.20-76
- Blendenendstück-Set siehe 21.103.70+71
Preis per 1 ST | Pack ST
Stück
- Fabriknummer
- 30615
- Länge
- 2500 mm
- Marke
- Hawa
- Oberfläche
- farblos eloxiert F1
- Wandabstand
- 20 mm



