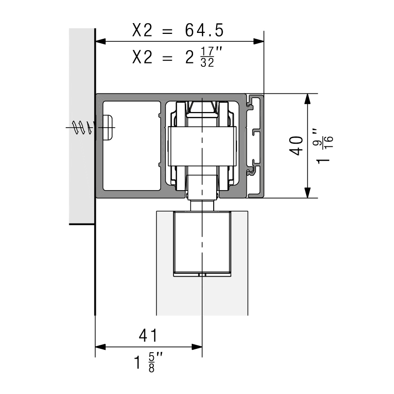
Laufschiene HAWA Distanzerweiterung, Junior 80/100


21.110.21


prev
next

Laufschiene HAWA Distanzerweiterung, Junior 80/100
21.110.21
Aluminium eloxiert, gelocht
- Clip-Teil siehe 21.005.17
- Clipblende siehe 21.106.10-56
- Clipblende siehe 21.106.20-76
- Blendenendstück-Set siehe 21.103.70+71
Preis per 1 MT | Pack 6 MT
Meter
- Fabriknummer
- 30614
- Länge
- 6000 mm
- Marke
- Hawa
- Oberfläche
- farblos eloxiert F1
- Wandabstand
- 11 mm



