Objektband SIMONSWERK VARIANT VX 7729









10.362.25









prev
next

Objektband SIMONSWERK VARIANT VX 7729
10.362.25
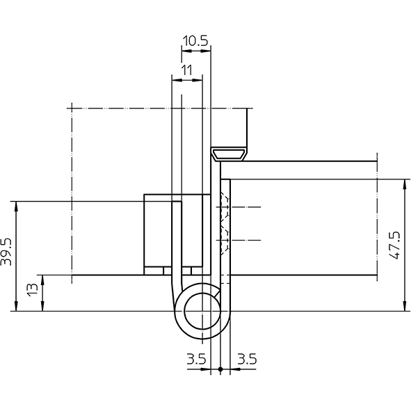
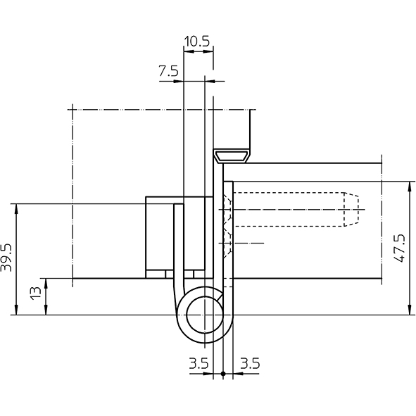
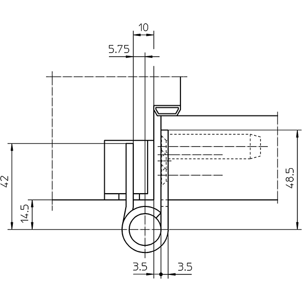
Edelstahl matt, für ungefälzte Türen an Holz-, Stahl- und Aluminiumzargen, innenliegender, verdrehsicherer Schraubstift, verdeckt liegende, wartungsfreie Axial-Radial-Gleitlager, Materialstärke 3,5 mm, Anschlagluft 3,5 mm, geeignet zur Anwendung an Feuer- und Rauchschutztüren nach EN 1634-1, vorgerichtet für 3D-Aufnahmeelement VX,
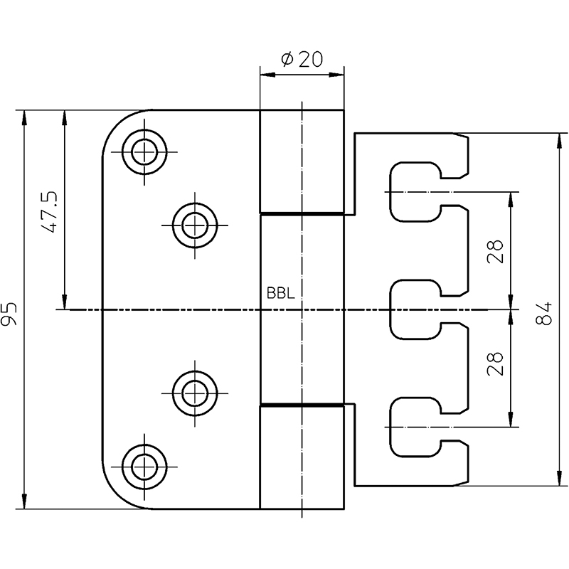
Tragkraft, Lappenhöhe 95 mm, bei 2 Band ca. 100 Kilo,
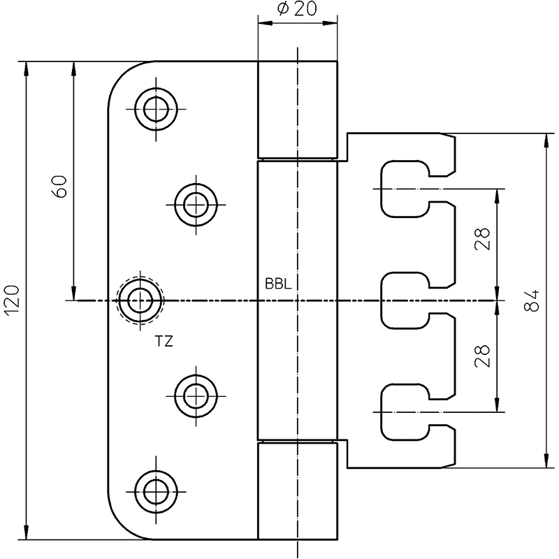
Tragkraft, Lappenhöhe 120 mm, bei 2 Band ca. 120 Kilo,
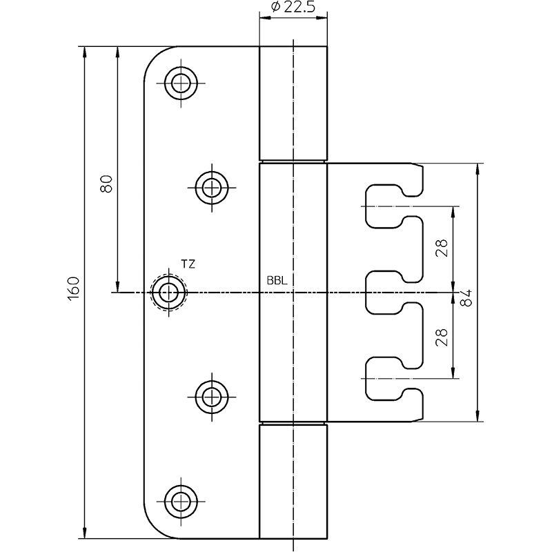
Tragkraft, Lappenhöhe 160 mm, bei 2 Band ca. 200 Kilo,
ohne Aufnahmeelement
- Aufnahmeelement VX siehe 10.378.
- Tragzapfen siehe 10.378.53
- Schrauben für Band 10.362.25-28 SK Ø 5 x 50 mm siehe 69.010.60
- Schrauben für Band 10.362.29 SK Ø 6 x 50 mm siehe 69.010.70
- Universal-Fräsrahmen siehe 99.150.
- Frässchablone siehe 99.156.
- Fräser-Ø 24 mm.
- Die Tragkraft bezieht sich auf eine Türgrösse von 1000 x 2000 mm mit 2 Band.
Preis per 1 ST | Pack 10 ST
Stück
- Brandschutznorm
- geprüft
- Fabriknummer
- VX 7729 / 100
- Falzart
- ungefälzt
- Flügelgewicht max.
- 100 kg
- Lappenbreite
- 37,5 mm
- Lappenhöhe
- 95 mm
- Marke
- Simonswerk
- Material
- Edelstahl
- Modell
- Variant VX
- Oberfläche
- matt
- Produktart
- Objektband
- Rollen-Ø
- 20 mm













